
MIL-PRF-27G
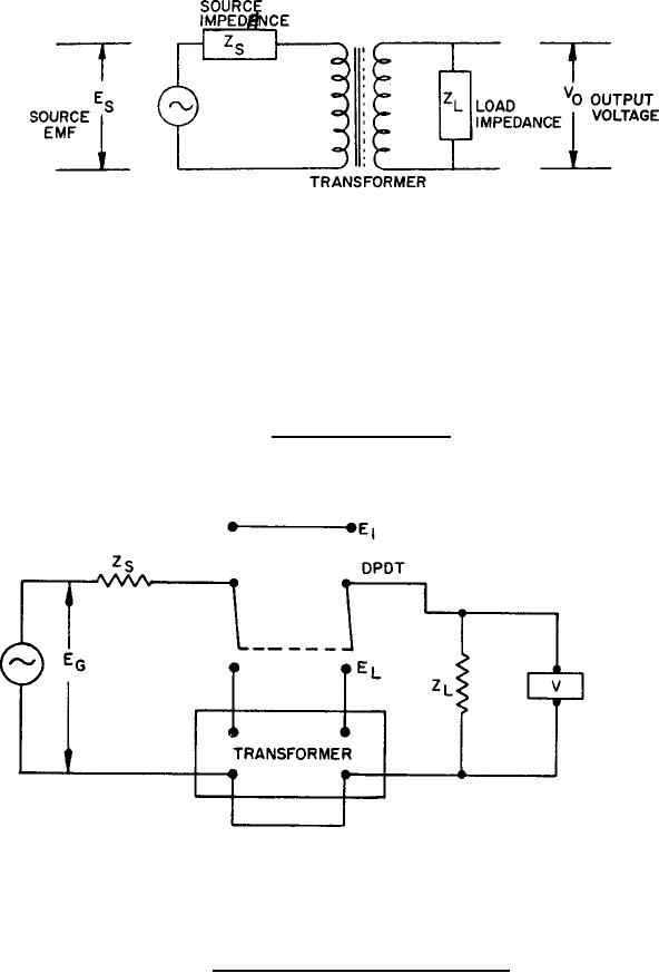
FIGURE 3. Frequency response circuit.
FIGURE 4. Typical measurement circuit for insertion loss.
8p34" style="font-size:11px">34
Downloaded: 2014-09-24T13:27Z
For Parts Inquires submit RFQ to Parts Hangar, Inc.
© Copyright 2015 Integrated Publishing, Inc.
A Service Disabled Veteran Owned Small Business