
MIL-PRF-27G
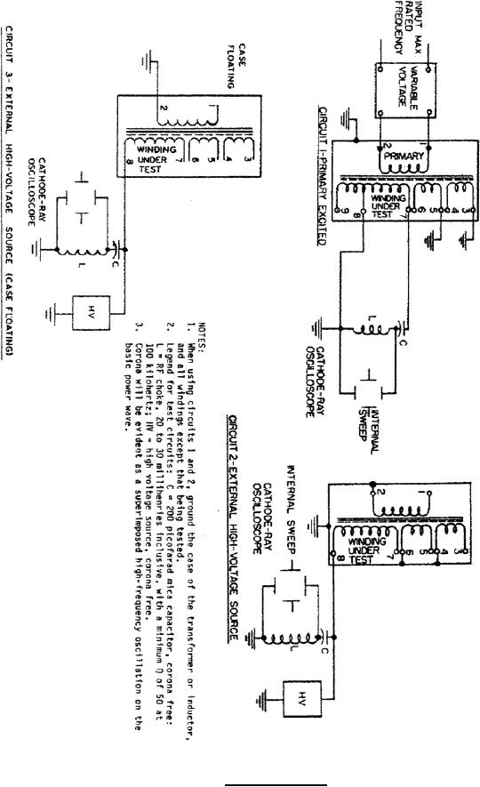
FIGURE 8. Corona test circuits.
6p37" style="font-size:11px">37
Downloaded: 2014-09-24T13:27Z
For Parts Inquires submit RFQ to Parts Hangar, Inc.
© Copyright 2015 Integrated Publishing, Inc.
A Service Disabled Veteran Owned Small Business