
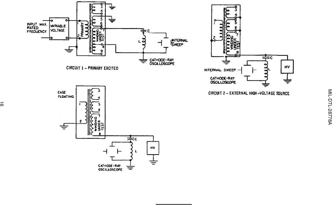
NOTES:
1. When using circuits 1 and 2, ground the case of the
transformer and all windings except that being tested.
2. Legend for test circuits: C = 200 picofarad mica capacitor,
corona free; L = RF choke, 20 to 30 millihenries inclusive,
with a minimum Q of 50 at 100 kilohertz; HV = high
voltage source, corona free.
3. Corona will be evident as a superimposed high-frequency
oscillation on the basic power wave.
CIRCUIT 3 EXTERNAL HIGH-VOLTAGE SOURCE (CASE FLOATING)
FIGURE 3 Corona test circuits.
For Parts Inquires submit RFQ to Parts Hangar, Inc.
© Copyright 2015 Integrated Publishing, Inc.
A Service Disabled Veteran Owned Small Business