
MIL-PRF-15305F
INCHES
MM
.005
.13
.006
.15
.010
.25
.040
1.02
.250
6.35
.938
23.83
1.438
36.53
COPPER OR BRASS
NOTES:
1. Dimensions are in inches.
2. Metric equivalents are given for general information only and based on 1.00 inch = 25.4 mm.
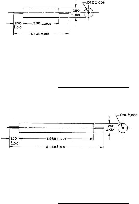
FIGURE 5. Shorting bar for test fixture TF-A (for axial leads).
INCHES
MM
.005
.13
.006
.15
.010
.25
.040
1.02
COPPER OR BRASS
.250
6.35
1.938
49.23
2.438
61.93
NOTES:
1. Dimensions are in inches.
2. Metric equivalents are given for general information only and based on 1.00 inch = 25.4 mm.
FIGURE 6. Shorting bar for test fixture TF-B (for axial leads).
16
For Parts Inquires submit RFQ to Parts Hangar, Inc.
© Copyright 2015 Integrated Publishing, Inc.
A Service Disabled Veteran Owned Small Business