
INCH-POUND
MIL-PRF-27/112A
29 September 2009
SUPERSEDING
MIL-PRF-27/112
30 July 1976
PERFORMANCE SPECIFICATION SHEET
TRANSFORMERS AND INDUCTORS,
(AUDIO, POWER AND HIGH-POWER PULSE)
INDUCTOR, AUDIO
This specification is approved for use by all Depart-
ments and Agencies of the Department of Defense.
The requirements for acquiring the product described herein
shall consist of this specification sheet and MIL-PRF-27.
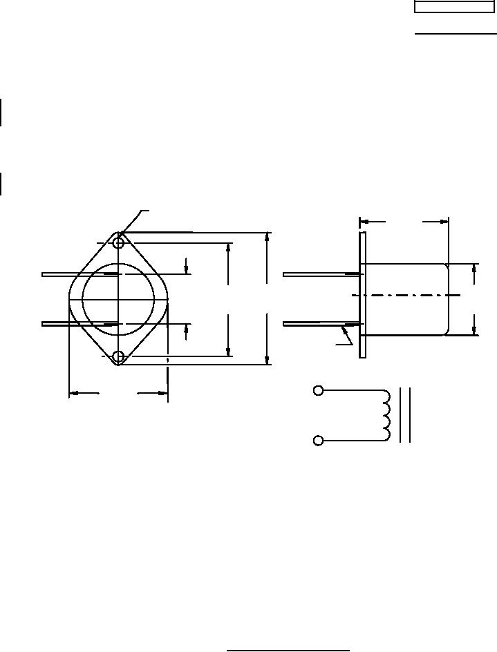
.150 DIA.
1.250
± .010
± .050
1.860
1.250
1.594
.700
MAX.
± .050
± .010
NOM.
.020 DIA.
2 PLACES
1.390
10 mH min. 1
MAX.
IV
0.4
DC RES. 0.5 OHM MAX.
2
CIRCUIT DIAGRAM AND MARKING
Inches
mm
0.25
.010
1.27
.050
3.81
.150
10.16
.400
17.78
.700
31.75
1.250
35.31
1.390
40.49
1.594
47.24
1.860
NOTES:
1. Dimensions are in inches.
2. Metric equivalents are given for general information only.
3. Marking shall be on the side of the case.
FIGURE 1. Dimensions and configuration.
AMSC N/A
FSC 5950
For Parts Inquires submit RFQ to Parts Hangar, Inc.
© Copyright 2015 Integrated Publishing, Inc.
A Service Disabled Veteran Owned Small Business