
INCH-POUND
MIL-PRF-27/134B
9 November 2009
SUPERSEDING
MIL-PRF-27/134A
23 April 1979
PERFORMANCE SPECIFICATION SHEET
TRANSFORMER, POWER, STEP-DOWN
This specification is approved for use by all Depart-
ments and Agencies of the Department of Defense.
The requirements for acquiring the transformer described herein
shall consist of this specification sheet and MIL-PRF-27.
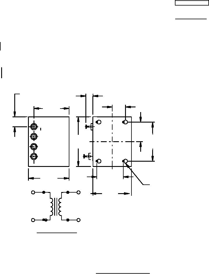
.280 TYP.
.200
± .030
MAX.
(5 PLS)
1.000
.375
± .050
4
.550
3
1.100
1.400
.015
MAX.
2
1
.750
1.150
± .015
± .030
.112-40 UNC-2B
INSERT 8 THDS
1.090
2
4
MIN. 4 PLACES
MAX.
120 V
28.6 V
400 Hz
Inches
mm
.015
0.38
.030
0.76
1
3
.050
1.27
.200
5.08
CIRCUIT DIAGRAM
.280
7.11
.375
9.53
.550
13.97
.750
19.05
NOTES:
1.000
25.40
1. Dimensions are in inches.
1.090
27.69
2. Metric equivalents are given for general information only.
1.100
27.94
3. Marking shall be sides of the case.
1.150
29.21
1.400
35.56
FIGURE 1. Dimensions and configurations.
AMSC N/A
FSC 5950
For Parts Inquires submit RFQ to Parts Hangar, Inc.
© Copyright 2015 Integrated Publishing, Inc.
A Service Disabled Veteran Owned Small Business