
INCH-POUND
MIL-PRF-27/173F
18 July 2008
SUPERSEDING
MIL-PRF-27/173E
7 April 1992
MILITARY SPECIFICATION SHEET
TRANSFORMERS, AUDIO FREQUENCY, MICRO-MINIATURE
Inactive for new design
after 21 February 2003
This specification is approved for use by all Depart-
ments and Agencies of the Department of Defense.
The requirements for acquiring the products described
herein shall consist of this specification and MIL-PRF-27.
INCHES
MM
0.05
.002
0.15
.006
0.25
.010
0.38
.015
0.41
.016
0.51
.020
1.02
.040
1.27
.050
1.63
.064
6.60
.260
9.53
.375
31.75
1.250
WORKING VOLTAGE (PEAK): 50 V
ALTITUDE: 150,000 FT MAX
FREQUENCY RANGE: 300 Hz 250 kHz
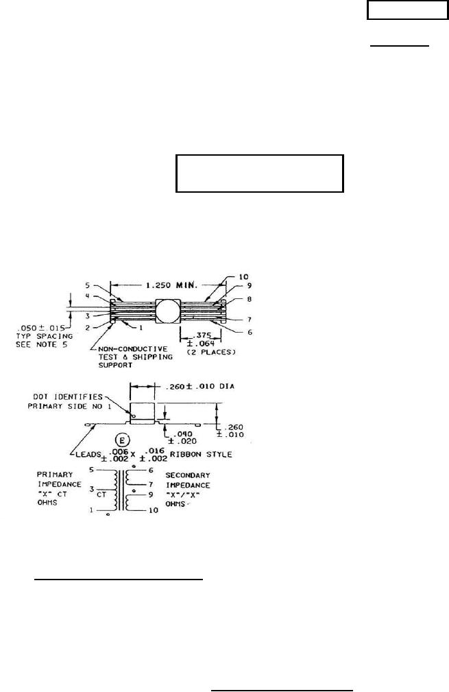
CIRCUIT DIAGRAM AND MARKING
NOTES:
1. Dimensions are in inches.
2. Metric equivalents are given for general information only.
3. Marking shall be on the top and bottom of the case.
4. Electrical values shall be marked as specified in table I as applicable.
5. Terminal spacing is on center.
FIGURE 1. Dimensions and configurations.
AMSC N/A
FSC 5950
For Parts Inquires submit RFQ to Parts Hangar, Inc.
© Copyright 2015 Integrated Publishing, Inc.
A Service Disabled Veteran Owned Small Business