
INCH-POUND
MIL-PRF-27/180B
18 July 2008
SUPERSEDING
MIL-PRF-27/180A
7 January 1991
PERFORMANCE SPECIFICATION SHEET
TRANSFORMER, POWER, STEP-DOWN
Inactive for new design
after 21 February 2003
This specification is approved for use by all Depart-
ments and Agencies of the Department of Defense.
The requirements for acquiring the products described
herein shall consist of this specification and MIL-PRF-27.
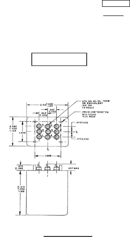
FIGURE 1. Dimensions and configurations.
AMSC N/A
FSC 5950
For Parts Inquires submit RFQ to Parts Hangar, Inc.
© Copyright 2015 Integrated Publishing, Inc.
A Service Disabled Veteran Owned Small Business