
INCH-POUND
MIL-PRF-27/190A
18 July 2008
SUPERSEDING
MIL-T-27/190
18 October 1977
PERFORMANCE SPECIFICATION SHEET
TRANSFORMERS AND INDUCTORS
(AUDIO, POWER AND HIGH-POWER PULSE),
INDUCTOR, POWER
Inactive for new design
after 14 February 1997
This specification is approved for use by all Depart-
ments and Agencies of the Department of Defense.
The requirements for acquiring the products described
herein shall consist of this specification and MIL-PRF-27.
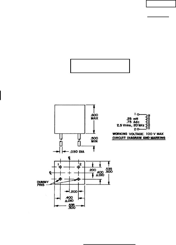
INCHES
MM
.010
.25
.030
.76
.200
5.08
.400
10.16
.500
12.70
.535
13.59
.600
15.24
NOTES:
1.Dimensions are in inches.
2.Metric equivalents are given for general information only.
3.Marking shall be on the side of the case.
FIGURE 1. Dimensions and configurations.
AMSC N/A
FSC 5950
For Parts Inquires submit RFQ to Parts Hangar, Inc.
© Copyright 2015 Integrated Publishing, Inc.
A Service Disabled Veteran Owned Small Business