
INCH-POUND
MIL-PRF-27/240C
21 January 2013
SUPERSEDING
MIL-PRF-27/240B
22 April 2011
PERFORMANCE SPECIFICATION SHEET
TRANSFORMERS AND INDUCTORS
(AUDIO, POWER AND HIGH-POWER PULSE)
INDUCTORS, AUDIO FREQUENCY, HIGH Q
This specification is approved for use by all Depart-
ments and Agencies of the Department of Defense.
The requirements for acquiring the product described herein
shall consist of this specification sheet and MIL-PRF-27.
INCHES
MM
.016
0.41
.025
0.64
.125
3.18
.281
7.14
.328
8.33
.468
11.89
1.250
31.75
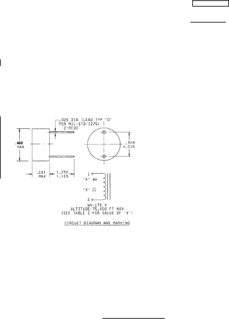
NOTES:
1. Dimensions are in inches.
2. Metric equivalents are given for general information only.
3. Marking shall be on the side of the case.
4. Electrical values shall be marked as specified in table I, as applicable.
FIGURE 1. Dimensions and configuration.
AMSC N/A
FSC 5950
For Parts Inquires submit RFQ to Parts Hangar, Inc.
© Copyright 2015 Integrated Publishing, Inc.
A Service Disabled Veteran Owned Small Business