
INCH-POUND
MIL-PRF-27/241B
21 June 2010
SUPERSEDING
MIL-PRF-27/241A
8 April 1980
PERFORMANCE SPECIFICATION SHEET
TRANSFORMERS AND INDUCTORS
(AUDIO, POWER AND HIGH-POWER PULSE
INDUCTORS, AUDIO FREQUENCY, HIGH Q
This specification is approved for use by all Depart-
ments and Agencies of the Department of Defense.
The requirements for acquiring the product described herein
shall consist of this specification sheet and MIL-PRF-27.
INCHES
MM
0.41
.016
0.64
.025
3.18
.125
7.14
.281
8.33
.328
11.89
.468
31.75
1.250
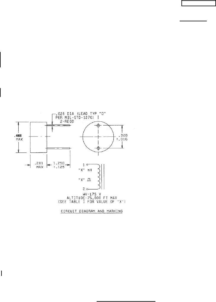
NOTES:
1. Dimensions are in inches.
2. Metric equivalents are given for general information only.
3. Marking shall be on the side of the case.
4. Electrical values shall be marked as specified in table I, as applicable.
FIGURE 1. Dimensions and configuration.
AMSC N/A
FSC 5950
For Parts Inquires submit RFQ to Parts Hangar, Inc.
© Copyright 2015 Integrated Publishing, Inc.
A Service Disabled Veteran Owned Small Business