
INCH-POUND
MIL-PRF-27/27A
28 April 2008
SUPERSEDING
MIL-PRF-27/27
15 September 1975
PERFORMANCE SPECIFICATION SHEET
TRANSFORMER, POWER, STEP DOWN
This specification is approved for use by all Depart-
ments and Agencies of the Department of Defense.
The complete requirements for procuring the transformer described herein shall consist of this
document and the latest issue of specification MIL-PRF-27.
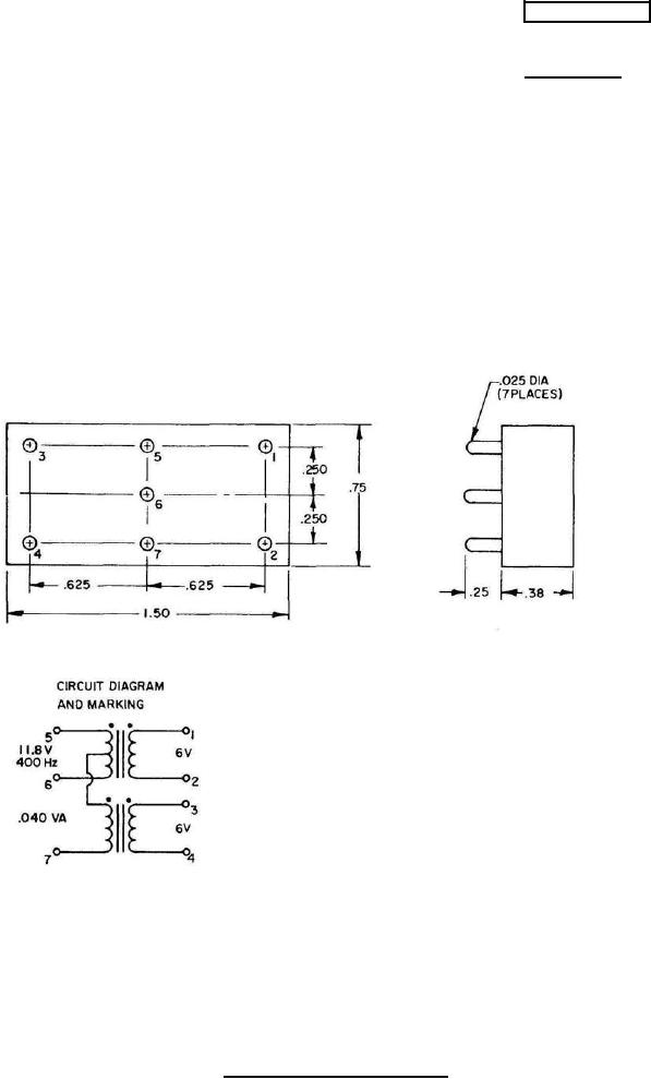
INCHES
MM
.64
.025
6.35
.250
9.65
.38
15.88
.625
19.05
.75
38.10
1.50
NOTES:
1. Dimensions are in inches.
2. Metric equivalents are given for general information only.
3. Tolerance on terminal position dimensions is ±.005 (0.13 mm) and ±0.02 (0.51 mm) for
remaining dimensions.
4. Marking shall be on the top of the case.
5. Terminals (5-6-7) may be to synchro input and terminals (1-2-3) may be to resolver output.
FIGURE 1. Dimensions and configurations
AMSC N/A
FSC 5950
For Parts Inquires submit RFQ to Parts Hangar, Inc.
© Copyright 2015 Integrated Publishing, Inc.
A Service Disabled Veteran Owned Small Business