
INCH-POUND
MIL-PRF-27/288C
21 June 2010
SUPERSEDING
MIL-PRF-27/288B
18 July 2008
PERFORMANCE SPECIFICATION SHEET
TRANSFORMERS AND INDUCTORS
(AUDIO, POWER AND HIGH-POWER PULSE)
INDUCTORS, POWER
This specification is approved for use by all Depart-
ments and Agencies of the Department of Defense.
The complete requirements for procuring the transformer described herein shall consist of this
document and the latest issue of specification MIL-PRF-27.
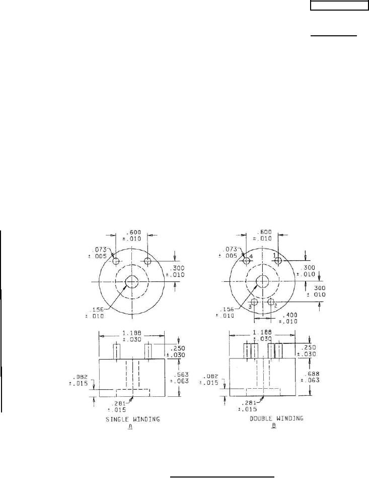
FIGURE 1. Dimensions and configurations.
AMSC N/A
FSC 5950
For Parts Inquires submit RFQ to Parts Hangar, Inc.
© Copyright 2015 Integrated Publishing, Inc.
A Service Disabled Veteran Owned Small Business