
INCH-POUND
MIL-PRF-27/300D
21 June 2010
SUPERSEDING
MIL-PRF-27/300C
17 May 1990
PERFORMANCE SPECIFICATION SHEET
TRANSFORMERS, POWER, STEPDOWN
This specification is approved for use by all Depart-
ments and Agencies of the Department of Defense.
The requirements for acquiring the product described herein shall consist of this specification
sheet and MIL-PRF-27.
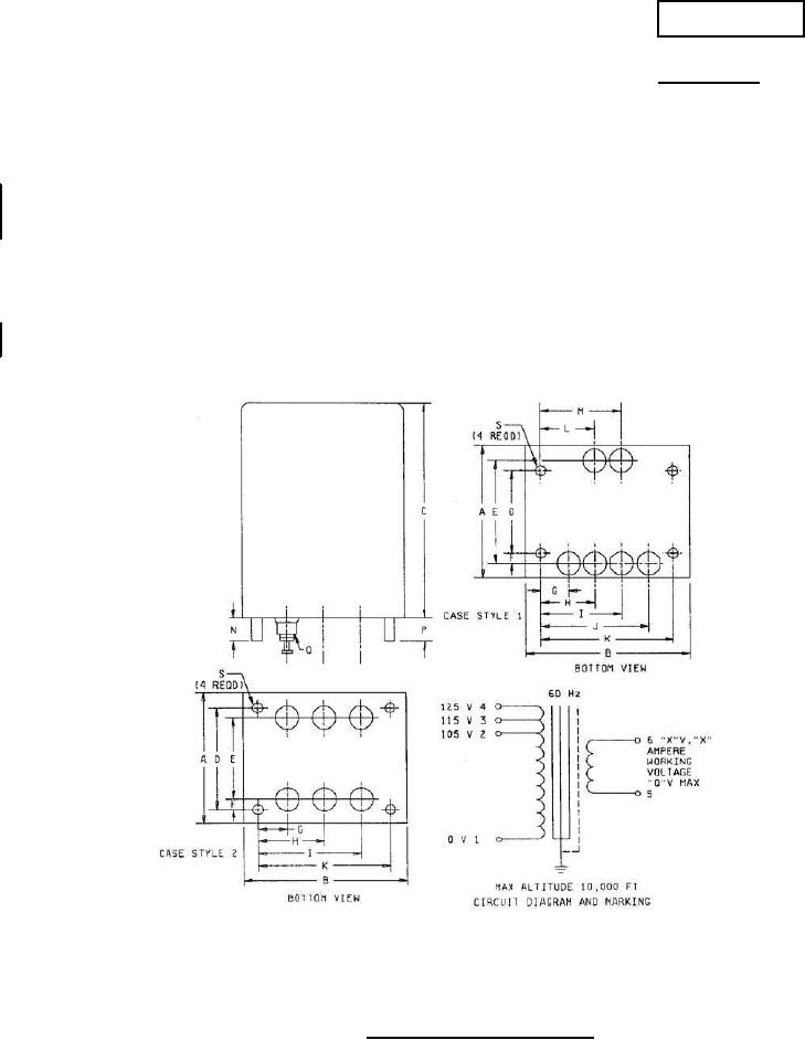
FIGURE 1. Dimensions and configurations.
AMSC N/A
FSC 5950
For Parts Inquires submit RFQ to Parts Hangar, Inc.
© Copyright 2015 Integrated Publishing, Inc.
A Service Disabled Veteran Owned Small Business