
INCH-POUND
MIL-PRF-27/303C
18 July 2008
SUPERSEDING
MIL-T-27/303B
2 June 2003
PERFORMANCE SPECIFICATION SHEET
TRANSFORMERS AND INDUCTORS
(AUDIO, POWER, AND HIGH-POWER PULSE)
INDUCTOR, POWER
Inactive for new design
after 13 March 1991
This specification is approved for use by all Depart-
ments and Agencies of the Department of Defense.
The complete requirements for procuring the transformer described herein shall consist of this
document and the latest issue of specification MIL-PRF-27.
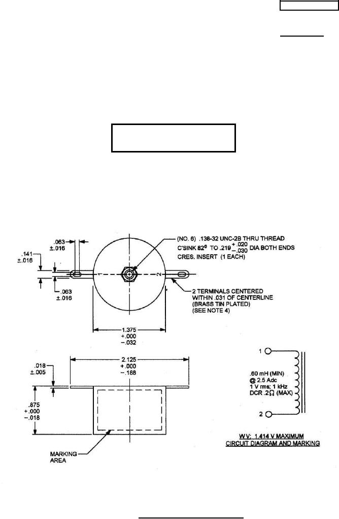
FIGURE 1. Dimensions and configurations.
AMSC N/A
FSC 5950
For Parts Inquires submit RFQ to Parts Hangar, Inc.
© Copyright 2015 Integrated Publishing, Inc.
A Service Disabled Veteran Owned Small Business