
INCH-POUND
MIL-PRF-27/318C
22 April 2011
SUPERSEDING
MIL-PRF-27/318B
19 January1989
PERFORMANCE SPECIFICATION SHEET
TRANSFORMERS, POWER, 80 VOLT-AMPERES, 60 HERTZ
This specification is approved for use by all Depart-
ments and Agencies of the Department of Defense.
The complete requirements for procuring the transformer described herein shall consist of this
document and the latest issue of specification MIL-PRF-27.
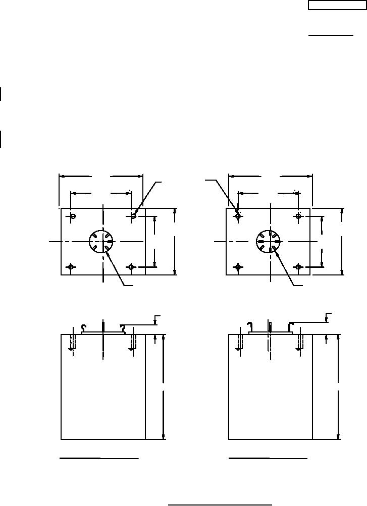
3.13
3.13
.164-32 UNC-2B
± .031
± .031
(4 PLACES)
8 FULL THDS MIN.
2.25
2.25
± .016
± .016
2.63
2.63
1
8
2
5
4
± .031
± .031
2.00
2.00
3
3
7
± .016
± .016
6
4
2
1
5
.875 DIA.
1.063
DIA.
NOTE: TERMINALS
.470
6, 7, AND 8 NOT CONNECTED
.375
± .031
± .031
4.13
4.13
DASH NUMBERS 03 THRU 30
DASH NUMBERS 01 AND 02
FIGURE 1. Dimensions and configurations.
AMSC N/A
FSC 5950
For Parts Inquires submit RFQ to Parts Hangar, Inc.
© Copyright 2015 Integrated Publishing, Inc.
A Service Disabled Veteran Owned Small Business