
INCH-POUND
MIL-PRF-27/327E
9 September 2013
SUPERSEDING
MIL-PRF-27/327D
22 April 2011
PERFORMANCE SPECIFICATION SHEET
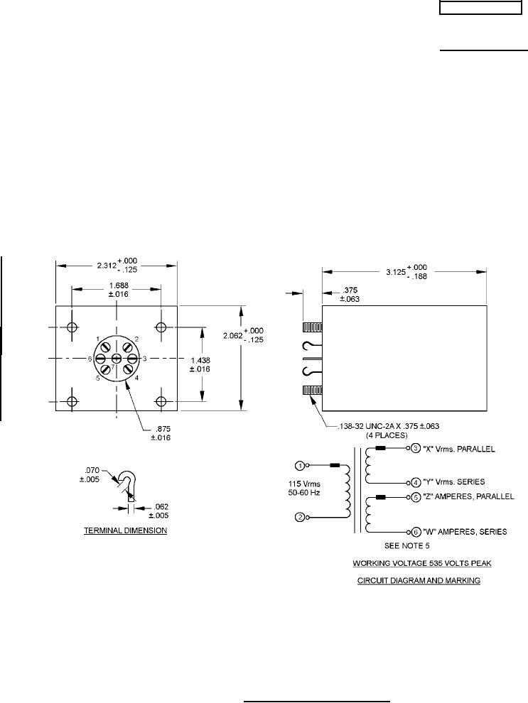
TRANSFORMERS, POWER, 15 VA, 60 HERTZ
This specification is approved for use by all Depart-
ments and Agencies of the Department of Defense.
The complete requirements for acquiring the transformer described herein
shall consist of this specification and the latest issue of MIL-PRF-27.
FIGURE 1. Dimensions and configurations
AMSC N/A
FSC 5950
For Parts Inquires submit RFQ to Parts Hangar, Inc.
© Copyright 2015 Integrated Publishing, Inc.
A Service Disabled Veteran Owned Small Business