
INCH-POUND
MIL-PRF-27/335D
25 July 2008
SUPERSEDING
MIL-PRF-27/334C
17 January 1986
PERFORMANCE SPECIFICATION SHEET
TRANSFORMERS, POWER, 50 VOLT-AMPERES, 400 HERTZ
This specification is approved for use by all Depart-
ments and Agencies of the Department of Defense.
The complete requirements for procuring the transformer described herein shall consist of this
document and the latest issue of specification MIL-PRF-27.
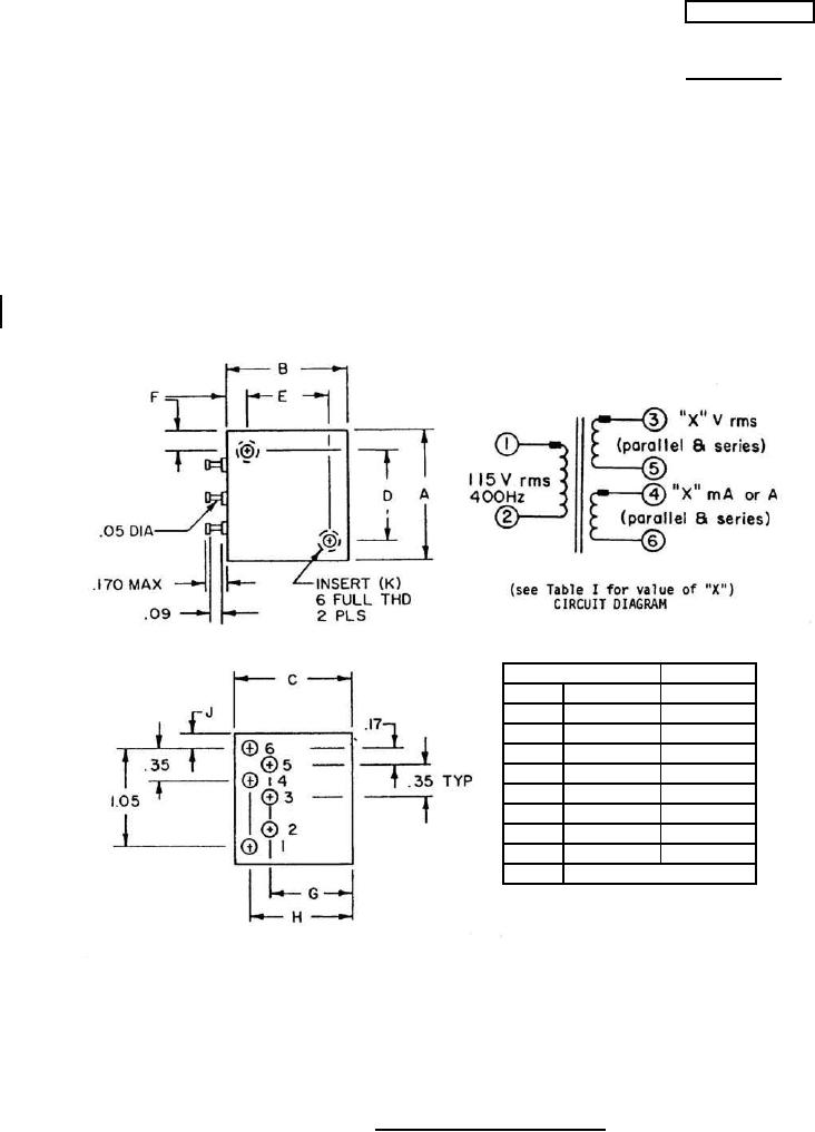
Inches
mm
A
2.00 ±.02
50.8 ±.5
B
1.62 ±.02
41.1 ±.5
C
1.81 ±.02
46.0 ±.5
D
1.50 ±.02
38.1 ±.5
E
1.12 ±.02
28.4 ±.5
F
0.25 ±.04
6.4 ±1.0
G
1.50 ±.04
38.1 ±1.0
H
1.69 ±.04
42.9 ±1.0
J
0.47 ±.04
11.9 ±1.0
K
.138-32 UNC 2B
Inches
mm
.02
0.5
.05
1.3
NOTES:
.09
2.3
1. Dimensions are in inches.
.17
4.3
2. Metric equivalents are given for general information only.
.170
4.32
3. Marking shall be on top and sides of the case.
.35
8.9
4. Dimensional tolerance shall be ±.02 unless otherwise specified.
1.05
26.7
5. For serial output connect terminals 4 and 5 together. For parallel
output connect pins 3 to 4 and 5 to 6.
FIGURE 1. Dimensions and configurations.
AMSC N/A
FSC 5950
For Parts Inquires submit RFQ to Parts Hangar, Inc.
© Copyright 2015 Integrated Publishing, Inc.
A Service Disabled Veteran Owned Small Business