
NOTE: The document identifier and heading have been changed
INCH-POUND
on this page to reflect that this is a performance specification.
There are no other changes to this document. The document
MIL-PRF-27/338D
identifier on subsequent pages has not been changed, but will
22 January 1992
be changed the next time this document is revised.
SUPERSEDING
MIL-T-27/338C
17 January 1986
PERFORMANCE SPECIFICATION SHEET
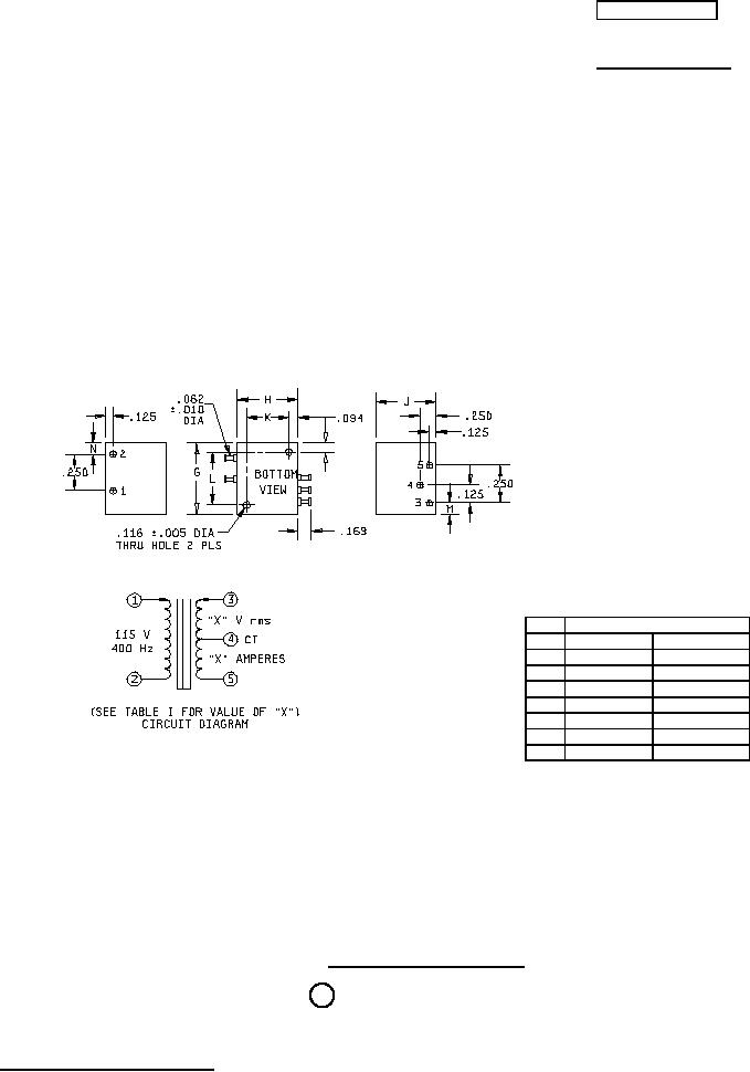
TRANSFORMERS, POWER, 2 VOLT AMPERES, 400 HZ, TF5S03ZZ
This specification is approved for use by all Departments
and Agencies of the Department of Defense.
The requirements for acquiring the product described herein shall
consist of this specification sheet and the issue of the following
specification listed in that issue of the Department of Defense
Index of Specifications and Standards (DODISS) specified in the
solicitation: MIL-T-27.
Ltr
Dimensions
Inches
mm
Inches
mm
.005
0.13
G
.87 ±.015
22.1 ±0.38
.010
0.25
H
.74 ±.015
18.8 ±0.38
.031
0.79
J
.78 ±.015
19.8 ±0.38
.062
1.57
K
.55 ±.015
14.0 ±0.38
.094
2.39
L
.68 ±.015
17.3 ±0.38
.116
2.95
M
.187 ±.031
4.75 ±0.79
.125
3.18
N
.187 ±.031
4.75 ±0.79
.169
4.29
.250
6.35
NOTES:
1. Dimensions are in inches.
2. Metric equivalents are given for general information only.
3. Marking shall be on the top and sides of case.
4. Dimensional tolerance shall be ±.031 unless otherwise specified.
5. Dimensions G and H to be measured at top of transformer.
FIGURE 1. Dimensions and configuration.
D
denotes changes
AMSC N/A
1 of 5
FSC 5950
DISTRIBUTION STATEMENT A. Approved for public release; distribution is unlimited.