
INCH-POUND
MIL-PRF-27/339E
21 June 2010
SUPERSEDING
MIL-PRF-27/339D
22 January 1992
PERFORMANCE SPECIFICATION SHEET
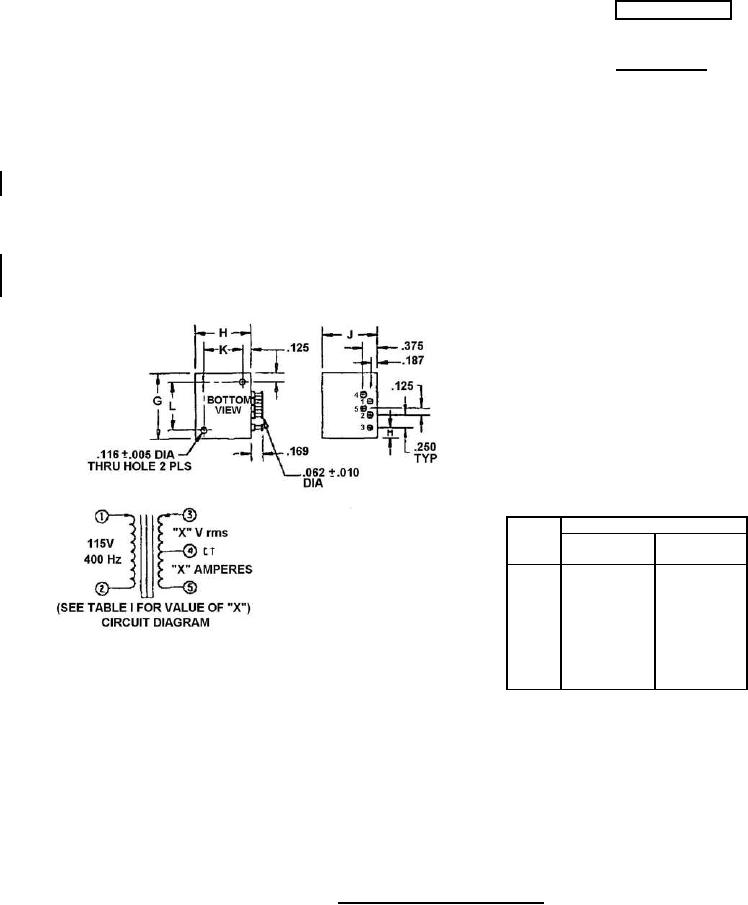
TRANSFORMERS, POWER, 6 VOLTAMPERES, 400 HZ
This specification is approved for use by all Departments
and agencies of the Department of Defense.
The complete requirements for procuring the transformer described herein shall consist of this
document and the latest issue of specification MIL-PRF-27.
Inches
mm
Dimensions
.005
0.13
Ltr
Inches
mm
.010
0.25
.031
0.79
.062
1.57
G
1.25 ±.015
31.8 ±0.38
.094
2.39
H
1.19 ±.015
30.2 ±0.38
.116
2.95
J
0.88 ±.015
22.4 ±0.38
.125
3.18
K
0.94 ±.015
23.9 ±0.38
.169
4.29
L
1.00 ±.015
25.4 ±0.38
.187
4.75
M
.250 ±.031
6.35 ±0.79
.250
6.35
.375
9.53
NOTES:
1. Dimensions are in inches.
2. Metric equivalents are given for general information only.
3. Marking shall be on the top and sides of the case.
4. Dimensional tolerance shall be ±.031 unless otherwise specified.
5. Dimensions G and H to be measured at top of transformer.
FIGURE 1. Dimensions and configurations.
AMSC N/A
FSC 5950
For Parts Inquires submit RFQ to Parts Hangar, Inc.
© Copyright 2015 Integrated Publishing, Inc.
A Service Disabled Veteran Owned Small Business