
INCH-POUND
MIL-PRF-27/343F
1 October 2010
SUPERSEDING
MIL-PRF-27/343E
3 August 1994
PERFORMANCE SPECIFICATION SHEET
TRANSFORMERS, POWER, 175 VOLTAMPERES, 400 HZ
This specification is approved for use by all Departments
and agencies of the Department of Defense.
The requirements for acquiring the product described herein shall consist of this specification
sheet and MIL-PRF-27.
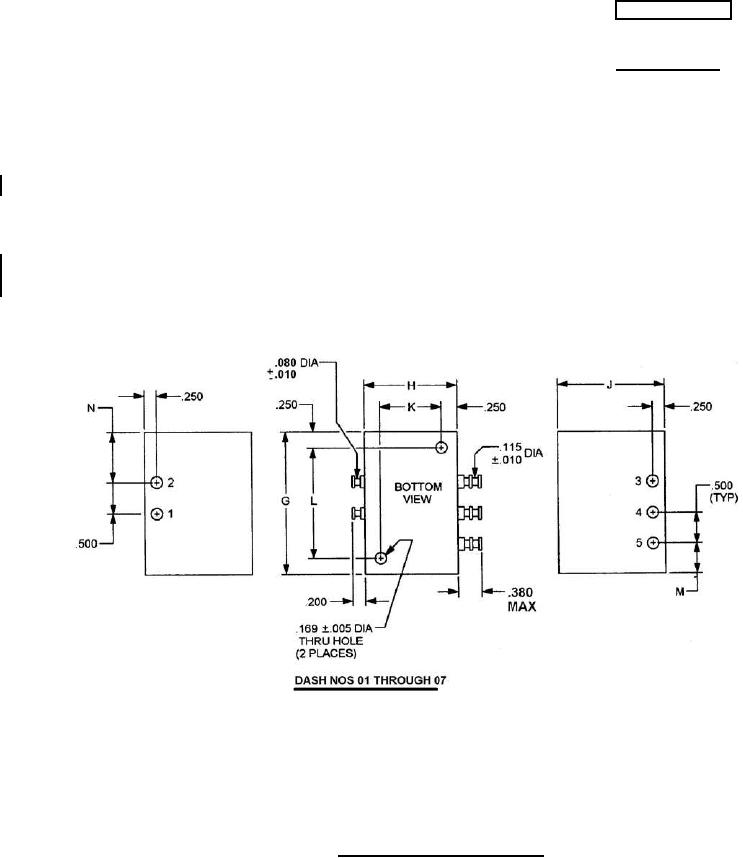
FIGURE 1. Dimensions and configurations.
AMSC N/A
FSC 5950