
INCH-POUND
MIL-PRF-27/358C
18 September 2002
SUPERSEDING
MIL-PRF-27/358B
14 June 1988
PERFORMANCE SPECIFICATION SHEET
TRANSFORMERS, AUDIO FREQUENCY, SUB-MINIATURE
This specification is approved for use by all Departments
and Agencies of the Department of Defense.
The complete requirements for acquiring the transformer described herein shall
consist of this specification and the latest issue of MIL-PRF-27.
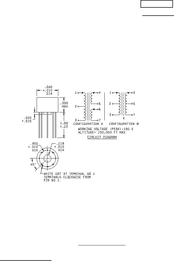
Inches
mm
.010
0.25
.020
0.51
.218
5.54
.25
6.4
.350
8.89
.500
12.70
1.00
25.4
NOTES:
1. Dimensions are in inches.
2. Metric equivalents are given for general information only.
3. Marking shall be on the side of the case.
4. Primary and secondary electrical values, specified in table I, shall be marked as applicable.
5. Dots on circuit diagram indicate polarity.
FIGURE 1. Dimensions and configuration.
AMSC N/A
1 of 7
FSC 5950
DISTRIBUTION STATEMENT A. Approved for public release; distribution is unlimited.