
INCH-POUND
MIL-PRF-27/363A
3 December 2010
SUPERSEDING
MIL-PRF-27/363
4 April 1985
PERFORMANCE SPECIFICATION
TRANSFORMERS, AUDIO FREQUENCY
This specification is approved for use by all Departments
and agencies of the Department of Defense.
The requirements for acquiring the product described herein shall consist
of this specification sheet and the latest issue of MIL-PRF-27.
INCHES
MM
.010
0.25
.016
0.41
.020
0.51
.250
6.35
.475
12.07
.520
13.21
.600
15.24
.750
19.05
1.000
25.40
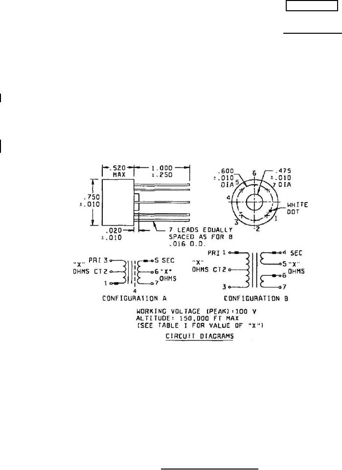
NOTES:
1. Dimensions are in inches.
2. Metric equivalents are given for general information only.
3. Marking shall be on the side of the case.
4. Primary and secondary electrical values shall be marked as specified in table I, as applicable.
5. The number of terminals shall be as shown in circuit diagram "A" and "B".
FIGURE 1. Dimensions and configuration.
AMSC N/A
FSC 5950