
INCH-POUND
MIL-PRF-27/38C
25 September 2009
SUPERSEDING
MIL-PRF-27/38B
7 February 1984
PERFORMANCE SPECIFICATION SHEET
TRANSFORMERS, POWER, 1.5 VOLT AMPERES, 400 HZ,
ELECTROSTATIC SHIELDED
This specification is approved for use by all Depart-
ments and Agencies of the Department of Defense.
The requirements for acquiring the transformer described herein
shall consist of this specification sheet and MIL-PRF-27.
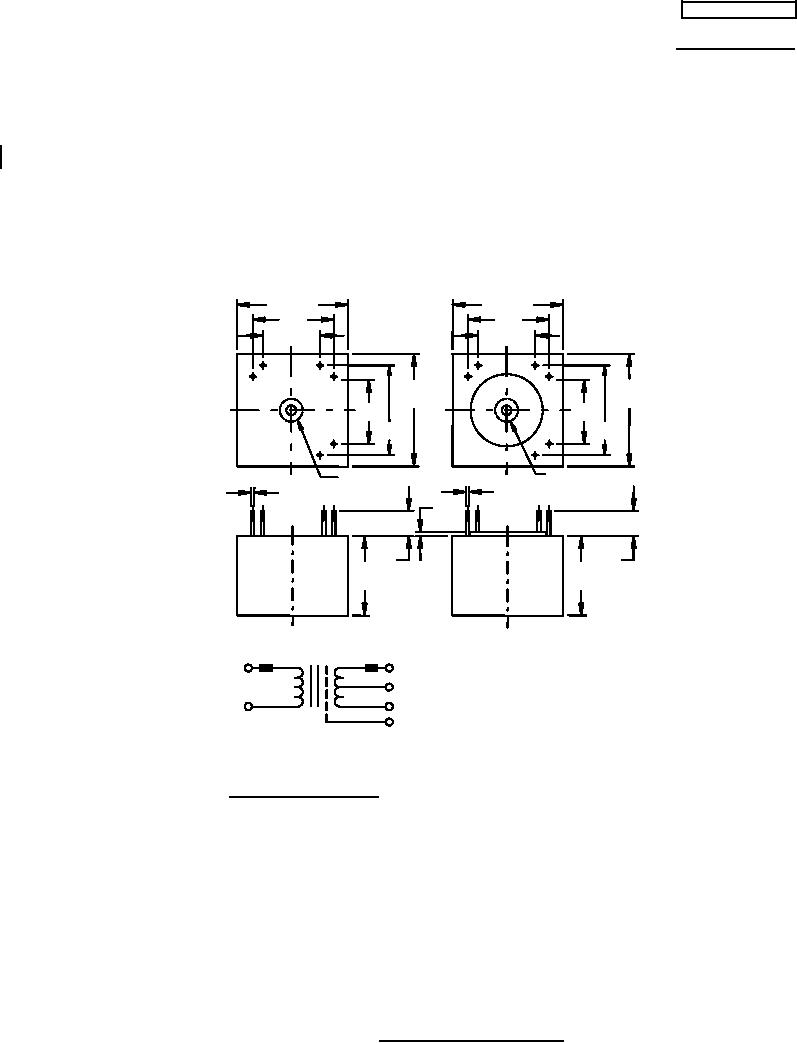
1.09 MAX.
1.09 MAX.
.800
.800
.600
.600
2
3
2
3
4
1
1
4
1.09
1.09
MAX.
MAX.
.600
.600
.800
.800
5
5
6
6
.138-32 UNC-2B
.138-32 UNC-2B
.032 DIA X .25 DEPTH MIN.
.032 DIA
X .25 DEPTH MIN.
± .002 TYP
± .002 TYP
.03
.02
.25
.25
.13
.13
.59
.59
MAX.
MAX.
CONFIGURATION A
CONFIGURATION B
3
1
"X" VOLTAGE CT
115
4
400
"X" mA OR A
5
2
Inches
mm
S
.002
0.05
.02
0.5
MAX W.V. , "X"V"
MAX ALT 70 .000
.03
0.8
.032
.81
(SEE TABLE I FOR VALUE OF "X")
.13
3.31
CIRCUIT DIAGRAM AND MARKING
.138
3.51
.25
6.4
.59
15.0
.600
15.24
.75
19.1
NOTES:
.800
20.32
1. Dimensions are in inches.
1.09
27.2
2. Metric equivalents are given for general information only.
3. Tolerance on terminal position dimensions is ±.005 (0.13 mm).
4. Marking shall be on the side of the case.
5. A white dot shall be marked on the side opposite the terminals, over terminal 1,
in addition to the terminal marking shown.
6. Secondary electrical values shall be marked as specified in table I, as applicable.
FIGURE 1. Dimensions and configurations
AMSC N/A
FSC 5950
For Parts Inquires submit RFQ to Parts Hangar, Inc.
© Copyright 2015 Integrated Publishing, Inc.
A Service Disabled Veteran Owned Small Business