
INCH-POUND
MIL-PRF-27/51D
6 May 2005
SUPERSEDING
MIL-PRF-27/51C
7 February 1984
PERFORMANCE SPECIFICATION SHEET
TRANSFORMERS, POWER, 3 VOLT AMPERES, 400 HZ,
ELECTROSTATIC SHIELDED
This specification is approved for use by all Departments
and Agencies of the Department of Defense.
The requirements for acquiring the transformers described
herein shall consist of this specification and MIL-PRF-27.
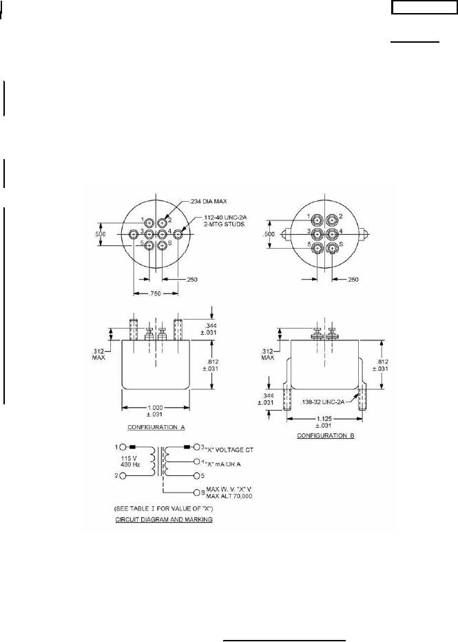
Inches
mm
.031
0.79
.112
2.84
.138
3.51
.234
5.94
.250
6.35
.312
7.92
.344
8.74
.500
12.70
.750
19.05
.812
20.62
1.000
25.40
1.125
28.58
NOTES:
1. Dimensions are in inches.
2. Metric equivalents are given for general information only.
3. Tolerance on terminal position dimensions is ±.015 (0.38 mm).
4. Marking shall be on the side of the case.
5. Terminals are color coded for permanent identification in addition to terminal marking shown. Ground terminal
"S" is black.
6. Secondary electrical values shall be marked as specified in table I, as applicable.
FIGURE 1. Dimensions and configuration.
AMSC N/A
FSC 5950
For Parts Inquires submit RFQ to Parts Hangar, Inc.
© Copyright 2015 Integrated Publishing, Inc.
A Service Disabled Veteran Owned Small Business