
INCH-POUND
MIL-PRF-27/58D
6 May 2005
SUPERSEDING
MIL-PRF-27/58C
7 February 1984
PERFORMANCE SPECIFICATION SHEET
TRANSFORMERS, POWER, 75 VOLT AMPERES, 400 HZ
This specification is approved for use by all Departments
and Agencies of the Department of Defense.
The requirements for acquiring the transformers described
herein shall consist of this specification and MIL-PRF-27.
Inches
mm
.031
0.79
.164
4.17
.250
6.35
.312
7.92
.344
8.74
.390
9.91
.781
19.84
1.750
44.45
2.000
50.80
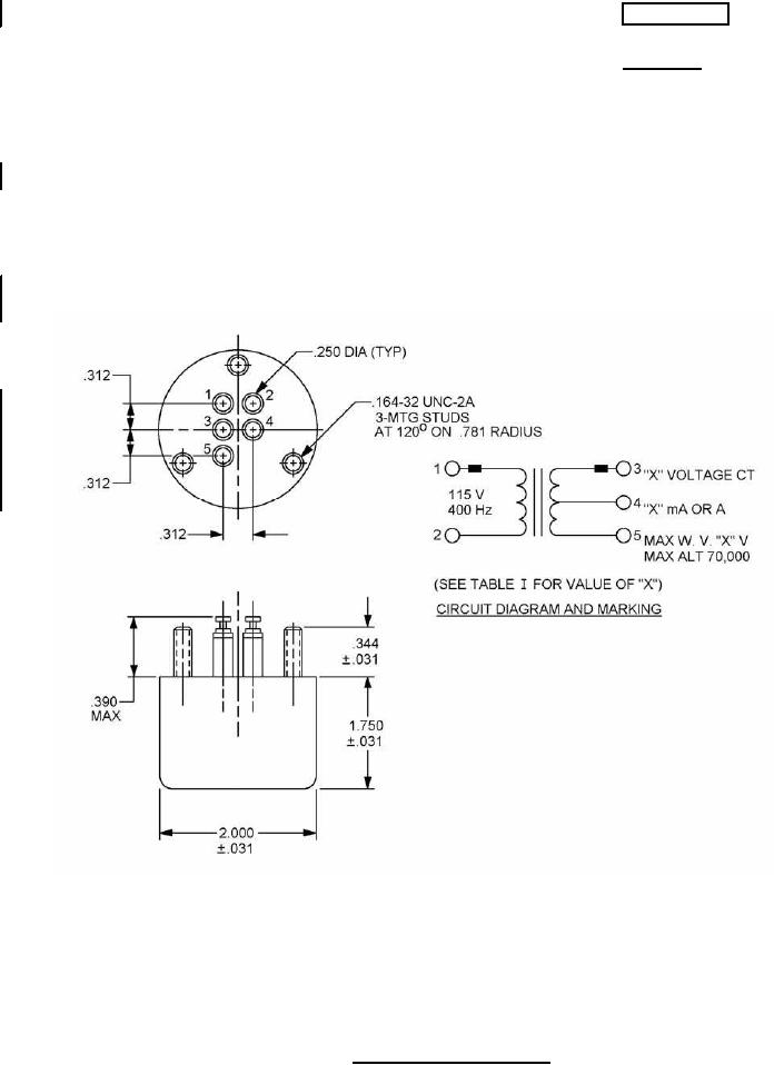
NOTES:
1. Dimensions are in inches.
2. Metric equivalents are given for general information only.
3. Tolerance on terminal position dimensions is ±.015 (0.38 mm).
4. Marking shall be on the side of the case.
5. When numbers in parentheses, i.e. (1-2), are used, they indicate the winding and the extreme terminals of the
winding.
6. Secondary electrical values shall be marked as specified in table I, as applicable.
FIGURE 1. Dimensions and configuration.
AMSC N/A
FSC 5950
For Parts Inquires submit RFQ to Parts Hangar, Inc.
© Copyright 2015 Integrated Publishing, Inc.
A Service Disabled Veteran Owned Small Business