
INCH-POUND
MIL-PRF-27/60E
29 September 2009
SUPERSEDING
MIL-PRF-27/60D
18 February 1986
PERFORMANCE SPECIFICATION SHEET
TRANSFORMERS, POWER, 250 VOLT AMPERES, 400 HZ,
This specification is approved for use by all Depart-
ments and Agencies of the Department of Defense.
The requirements for acquiring the transformer described herein
shall consist of this specification sheet and MIL-PRF-27.
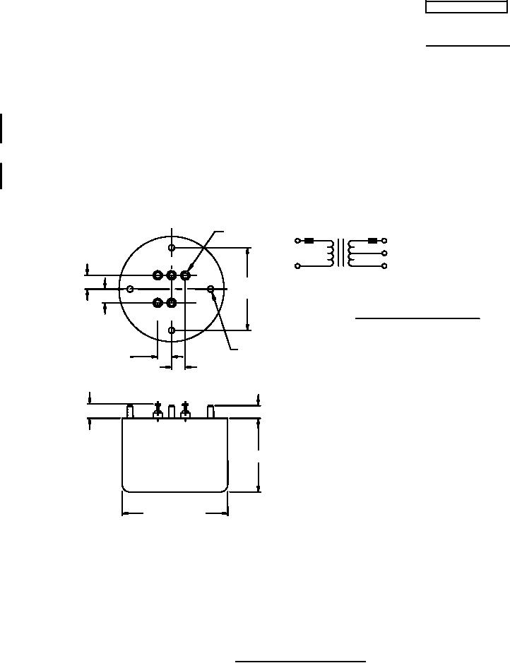
.250 DIA. TYP.
3
1
115 V
"X" VOLTAGE
4
400 HZ
"X" mA OR A
3
2
1
2
5
MAX W.V. , "X"V"
MAX ALT 70 .000
.375
2.250 MTG. SQ.
.375
(SEE TABLE I FOR VALUE OF "X")
5
4
CIRCUIT DIAGRAM AND MARKING
.164-32 UNC - 2A
.375
4-MTG.
.375
Inches
mm
.031
0.79
.164
4.17
.390 ± MAX.
.344 ± .031
.250
6.35
.344
8.74
.375
9.52
.390
9.91
2.000 ± .031
2.000
50.80
2.250
57.15
2.875
73.02
2.875 ± .031 DIA.
NOTES:
1. Dimensions are in inches.
2. Metric equivalents are given for general information only.
3. Tolerance on terminal position dimensions is ±.015 (0.38 mm).
4. Marking shall be on the side of the case.
5. Secondary electrical values shall be marked as specified in table I, as applicable.
FIGURE 1. Dimensions and configurations
AMSC N/A
FSC 5950
For Parts Inquires submit RFQ to Parts Hangar, Inc.
© Copyright 2015 Integrated Publishing, Inc.
A Service Disabled Veteran Owned Small Business