
INCH-POUND
MIL-PRF-27/70D
28 April 2008
SUPERSEDING
MIL-PRF-27/70C
2 June 2003
PERFORMANCE SPECIFICATION SHEET
TRANSFORMERS, AUDIO FREQUENCY
This specification is approved for use by all Depart-
ments and Agencies of the Department of Defense.
The requirements for acquiring the products described
herein shall consist of this specification and MIL-PRF-27.
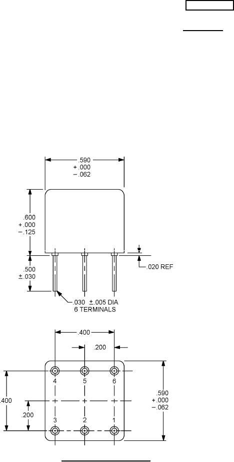
FIGURE 1. Dimensions and configuration.
AMSC N/A
FSC 5950
For Parts Inquires submit RFQ to Parts Hangar, Inc.
© Copyright 2015 Integrated Publishing, Inc.
A Service Disabled Veteran Owned Small Business