
INCH-POUND
MIL-PRF-27/71E
28 April 2008
SUPERSEDING
MIL-PRF-27/71D
21 February 2003
PERFORMANCE SPECIFICATION
TRANSFORMERS, AUDIO FREQUENCY
This specification is approved for use by all Departments
and agencies of the Department of Defense.
The requirements for acquiring the product described herein
shall consist of this specification and MIL-PRF-27.
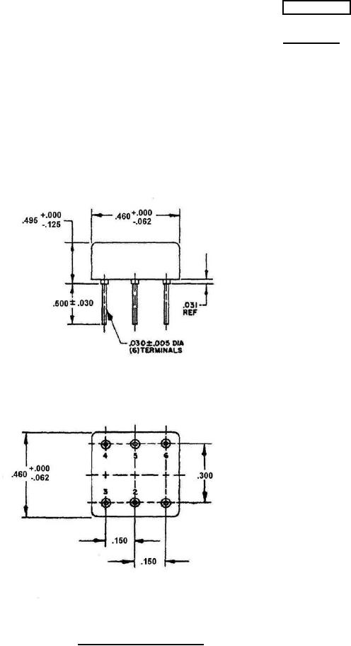
FIGURE 1. Dimensions and configuration.
AMSC N/A
FSC 5950
For Parts Inquires submit RFQ to Parts Hangar, Inc.
© Copyright 2015 Integrated Publishing, Inc.
A Service Disabled Veteran Owned Small Business