
INCH - POUND
MIL-PRF-83446/18A
25 August 2006
SUPERSEDING
MIL-PRF-83446/18
16 December 1980
PERFORMANCE SPECIFICATION SHEET
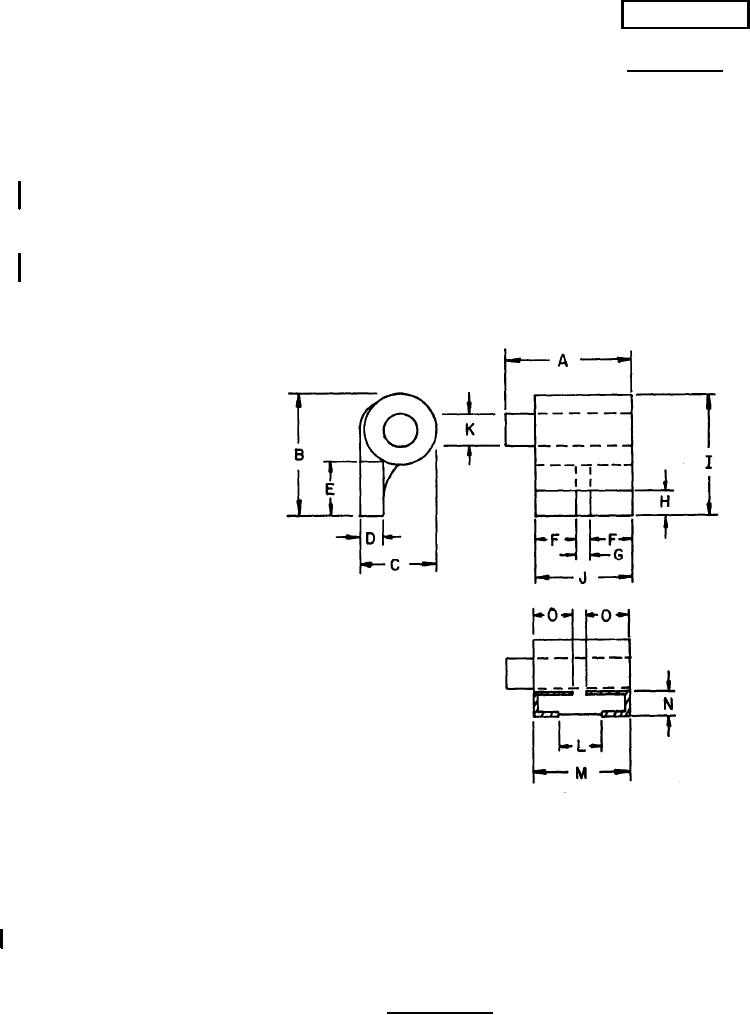
COILS, RADIO FREQUENCY, CHIP, VARIABLE
This specification is approved for use by all Depart-
ments and Agencies of the Department of Defense.
The requirements for acquiring the products described
herein shall consist of this specification and MIL-PRF-83446.
Inches
mm
A
.180 Max
4.57 Max
B
.140 Max
3.56 Max
C
.095 Max (-41 thru 45)
2.41 Max
.065 Max (-1 thru 40)
1.65 Max
D
.040 ±.010
1.02 ±.25
E
.045 ±.005
1.14 ±.13
F
.045 ±.005
1.14 ±.13
G
.010 ±.002
.25 ±.05
H
.010 Min
.25 Min
I
.140 Max
3.56 Max
J
.100 ±.005
2.54 ±.13
K
.033 ±.002 Dia
.84 ±.05
L
.030 ±.005
.76 ±.13
M
.100 ±.005
2.54 ±.13
N
.035 ±.005
.89 ±.13
O
.045 ±.005
1.14 ±.13
NOTES:
1. Dimensions are in inches.
2. Metric equivalents are given for general information only.
FIGURE 1. Variable, chip coil.
AMSC N/A
FSC 5950
For Parts Inquires submit RFQ to Parts Hangar, Inc.
© Copyright 2015 Integrated Publishing, Inc.
A Service Disabled Veteran Owned Small Business