
INCH - POUND
MIL-PRF-83446/19B
25 August 2006
SUPERSEDING
MIL-PRF-83446/19A
22 November 1982
PERFORMANCE SPECIFICATION SHEET
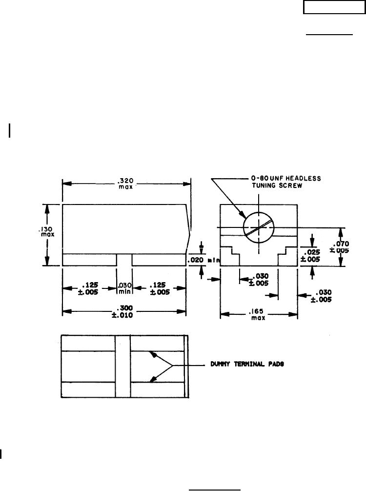
COILS, RADIO FREQUENCY, VARIABLE
This specification is approved for use by all Depart-
ments and Agencies of the Department of Defense.
The requirements for acquiring the products described
herein shall consist of this specification and MIL-PRF-83446.
Inches
mm
.005
.13
.010
.25
.020
.51
.025
.64
.030
.76
.070
1.78
.130
3.30
NOTES:
.165
4.19
1. Dimensions are in inches.
.300
7.62
2. Metric equivalents are given for general information only.
.320
8.13
FIGURE 1. Variable, chip coil.
AMSC N/A
FSC 5950
For Parts Inquires submit RFQ to Parts Hangar, Inc.
© Copyright 2015 Integrated Publishing, Inc.
A Service Disabled Veteran Owned Small Business