INCH-POUND
MIL-T-27/159C
15 July 2013
SUPERSEDING MIL-T-27/1598
4 May 2012
MILITARY SPECIFICATION SHEET
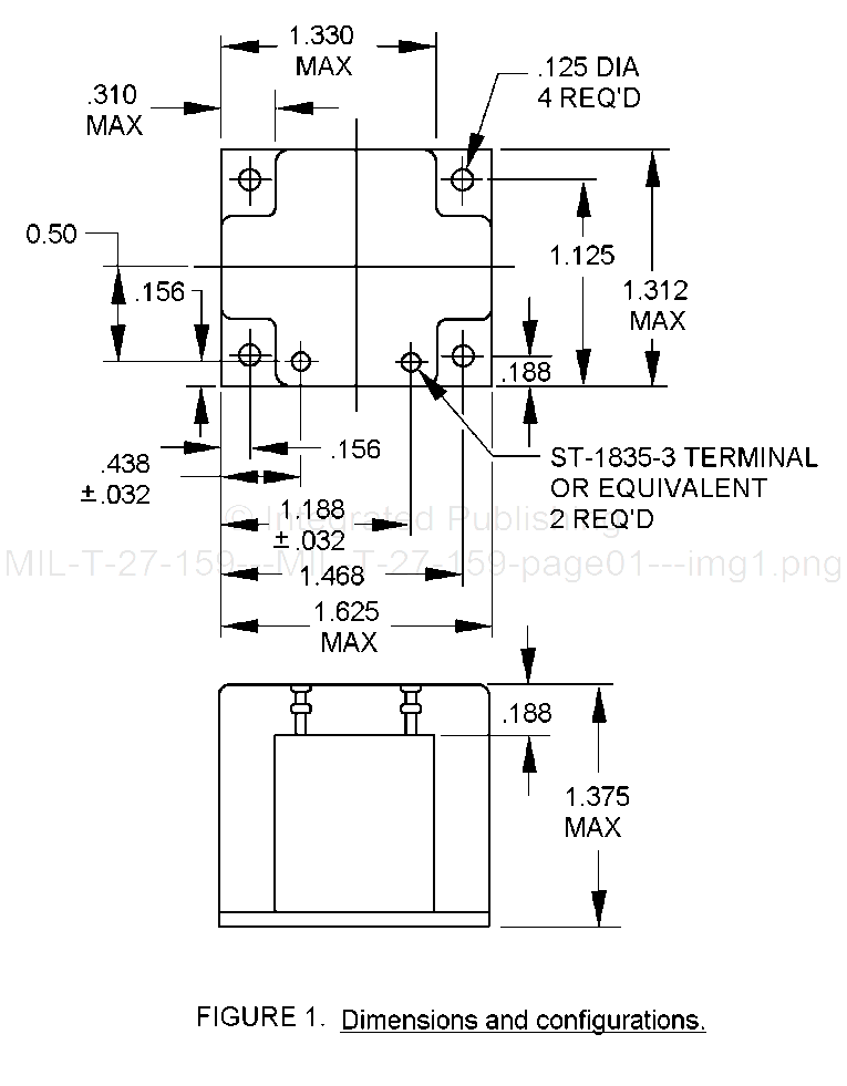
TRANSFORMERS AND INDUCTORS (AUDIO, POWER AND HIGH-POWER PULSE), INDUCTOR, POWER
Inactive for new design after 20 April 1993
This specification is approved for use by all Depart- ments and Agencies of the Department of Defense.
The requirements for procuring the transformer described herein
shall consist of this document and the latest issue of specification MIL-PRF-27.

AMSC N/A FSC 5950
For Parts Inquires submit RFQ to Parts Hangar, Inc.
© Copyright 2015 Integrated Publishing, Inc.
A Service Disabled Veteran Owned Small Business