INCH-POUND
MIL-T-27/174D
4 May 2012
SUPERSEDING MIL-T-27/174C
20 April 1993
MILITARY SPECIFICATION SHEET
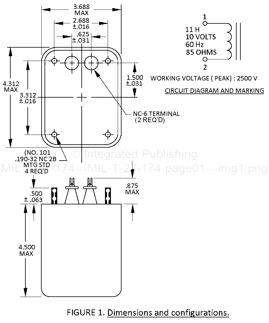
TRANSFORMERS AND INDUCTORS (AUDIO, POWER AND HIGH POWER PULSE) INDUCTOR, POWER
Inactive for new design after 20 April 1993.
This specification is approved for use by all Depart- ments and Agencies of the Department of Defense.
The complete requirements for procuring the transformer described herein shall consist of this document and the latest issue of specification MIL-PRF-27.

AMSC N/A FSC 5950
For Parts Inquires submit RFQ to Parts Hangar, Inc.
© Copyright 2015 Integrated Publishing, Inc.
A Service Disabled Veteran Owned Small Business