INCH-POUND
MS14040B
29 June 2007
SUPERSEDING MS14040A
25 July 1983
MILITARY SPECIFICATION SHEET
COILS, RADIO FREQUENCY, MOLDED, FIXED, SUBMINIATURE, (IRON CORE), TYPES LT10K097 TO LT10K107 INCL.
Inactive for new design after 25 July 1983.
This specification is approved for use by all Depart- ments and Agencies of the Department of Defense.
The requirements for acquiring the products described herein shall consist of this specification and MIL-PRF-15305.

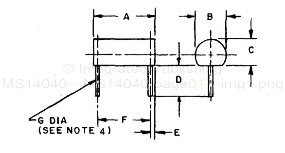
Ltr |
Dimensions in inches with metric equivalents (mm) in parentheses |
|
Minimum |
Maximum |
|
A B C D E F G |
.694 (17.63) .204 (5.18) .189 (4.80) .250 (6.35) .051 (1.30) .590 (14.99) .023 (0.58) |
.756 (19.20) .266 (6.76) .251 (6.38) .374 (9.50) .071 (1.80) .610 (15.49) .027 (0.69) |
NOTES:
1. Dimensions are in inches.
2. Metric equivalents, in parentheses, are given for general information only.
3. These coils are intended to be mounted by the body.
4. Solderable/weldable lead wire, AWG number 22.
FIGURE 1. Dimensions and configuration.
AMSC N/A FSC 5950
For Parts Inquires submit RFQ to Parts Hangar, Inc.
© Copyright 2015 Integrated Publishing, Inc.
A Service Disabled Veteran Owned Small Business