INCH-POUND
MS18100E
29 June 2007
SUPERSEDING MS18100D
25 July 1983
MILITARY SPECIFICATION SHEET
COILS, RADIO FREQUENCY, MOLDED, FIXED, SUBMINIATURE, (PHENOLIC CORE), TYPES LT4K200 TO LT4K208 INCL. LT4K220 and LT4K221
Inactive for new design after 25 July 1983.
This specification is approved for use by all Depart- ments and Agencies of the Department of Defense.
The requirements for acquiring the products described herein shall consist of this specification and MIL-PRF-15305.

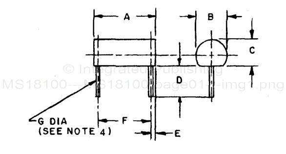
Ltr |
Dimensions in inches with metric equivalents (mm) in parentheses |
|||
Dash numbers 1 through 9 |
Dash numbers 21 and 22 |
|||
Minimum |
Maximum |
Minimum |
Maximum |
|
A B C D E F G |
.694 (17.63) .204 (5.18) .189 (4.80) .250 (6.35) .051 (1.30) .590 (14.99) .023 (0.58) |
.756 (19.20) .266 (6.76) .251 (6.38) .374 (9.50) .071 (1.80) .610 (15.49) .027 (0.69) |
.594 (15.09) .251 (6.38) .234 (5.94) .250 (6.35) .051 (1.30) .490 (12.45) .023 (0.58) |
.656 (16.66) .313 (7.95) .296 (7.52) .374 (9.50) .071 (1.80) .510 (12.95) .027 (0.69) |
NOTES:
1. Dimensions are in inches.
2. Metric equivalents, in parentheses, are given for general information only.
3. These coils are intended to be mounted by the body.
4. Solderable/weldable lead wire, AWG number 22.
FIGURE 1. Dimensions and configuration.
AMSC N/A FSC 5950
For Parts Inquires submit RFQ to Parts Hangar, Inc.
© Copyright 2015 Integrated Publishing, Inc.
A Service Disabled Veteran Owned Small Business