INCH-POUND
MS21381E
2 July 2007
SUPERSEDING MS21381D
8 May 1987
MILITARY SPECIFICATION SHEET
COILS, RADIO FREQUENCY, MOLDED, VARIABLE, SUBMINIATURE, IRON CORE, MAGNETICALLY SHIELDED
TYPES LT10V174 TO LT10V209 INCL. AND LT10V247 TO LT10SV258 INCL.
Inactive for new design.
This specification is approved for use by all Depart- ments and Agencies of the Department of Defense.
The requirements for acquiring the products described herein shall consist of this specification and MIL-PRF-15305.

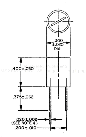
NOTES:
1. Dimensions are in inches.
2. Metric equivalents are given for general information only.
3. These coils are intended to be mounted by the body.
4. Solderable/weldable lead wire, tinned copper, AWG number 24.
FIGURE 1. Dimensions and configuration.
AMSC N/A FSC 5950
For Parts Inquires submit RFQ to Parts Hangar, Inc.
© Copyright 2015 Integrated Publishing, Inc.
A Service Disabled Veteran Owned Small Business