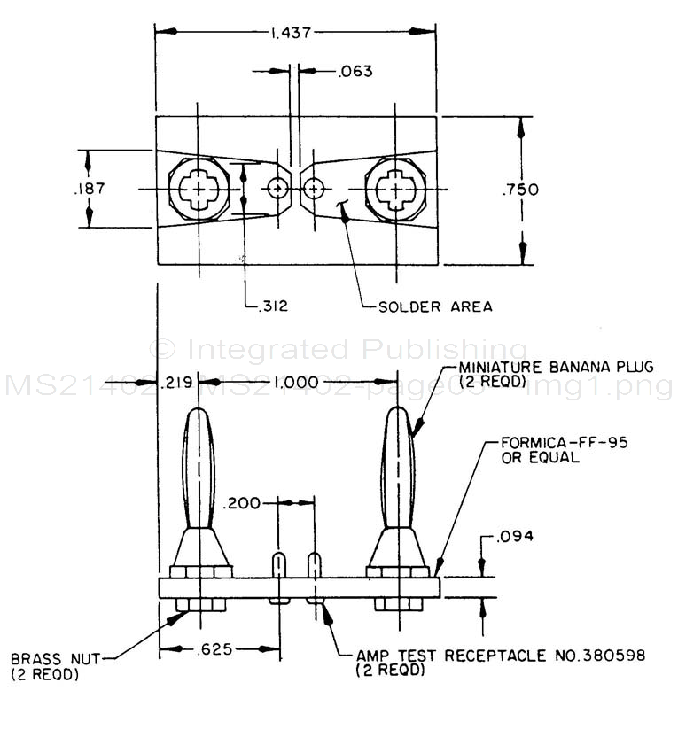
MS21402E

NOTE: Tolerance is ±.005 (0.13 mm).
FIGURE 2. Test fixture for electrical measurements.
5
For Parts Inquires submit RFQ to Parts Hangar, Inc.
© Copyright 2015 Integrated Publishing, Inc.
A Service Disabled Veteran Owned Small Business
MS21402E

NOTE: Tolerance is ±.005 (0.13 mm).
FIGURE 2. Test fixture for electrical measurements.
5