INCH-POUND
MS21423D
31 August 2007
SUPERSEDING MS21423C
28 September 1987
MILITARY SPECIFICATION SHEET
COILS, RADIO FREQUENCY, MOLDED, FIXED, SUB-MINIATURE, TYPES LT4K521 TO LT4K545 INCL.
This specification is approved for use by all Depart- ments and Agencies of the Department of Defense.
The requirements for acquiring the products described herein shall consist of this specification and MIL-PRF-15305.

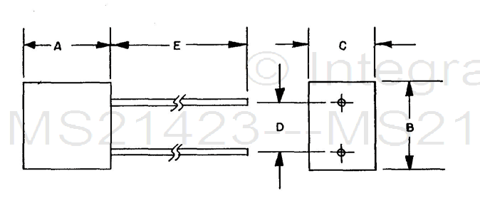
Ltr |
Dimensions in inches with metric equivalents (mm) in parentheses |
|
Minimum |
Maximum |
|
A B C D E |
.200 (5.08) .190 (4.83) .090 (2.29) .090 (2.29) 1.00 (25.40) |
.230 (5.84) .210 (5.33) .110 (2.79) .110 (2.79) ---- |
NOTES:
1. Dimensions are in inches.
2. Metric equivalents are given for general information only.
FIGURE 1. Dimensions and configuration.
AMSC N/A FSC 5950
For Parts Inquires submit RFQ to Parts Hangar, Inc.
© Copyright 2015 Integrated Publishing, Inc.
A Service Disabled Veteran Owned Small Business