INCH-POUND
MS53229B
24 August 2007
SUPERSEDING MS53229A
31 October 1985
MILITARY SPECIFICATION SHEET
COILS, RADIO FREQUENCY, MOLDED, ENCAPSULATED, VARIABLE, MICRO-MINIATURE, IRON CORE, TYPES LT11V001 TO LT11V021 INCL.
Inactive for new design, after 31 March 1999
This specification is approved for use by all Depart- ments and Agencies of the Department of Defense.
The requirements for acquiring the products described herein shall consist of this specification and MIL-PRF-15305.

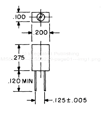
NOTES:
1. Dimensions are in inches.
2. Metric equivalents are given for general information only.
3. Unless otherwise specified, tolerance is ±.003 (0.08 mm).
FIGURE 1. Dimensions and configuration.
AMSC N/A FSC 5950
For Parts Inquires submit RFQ to Parts Hangar, Inc.
© Copyright 2015 Integrated Publishing, Inc.
A Service Disabled Veteran Owned Small Business