INCH-POUND
MS53231B
24 August 2007
SUPERSEDING MS53231A
31 October 1985
MILITARY SPECIFICATION SHEET
COILS, RADIO FREQUENCY, ENCAPSULATED, VARIABLE, MICRO-MINIATURE, IRON CORE, TYPES LT
Inactive for new design, after 31 March 1999
This specification is approved for use by all Depart- ments and Agencies of the Department of Defense.
The requirements for acquiring the products described herein shall consist of this specification and MIL-PRF-15305.

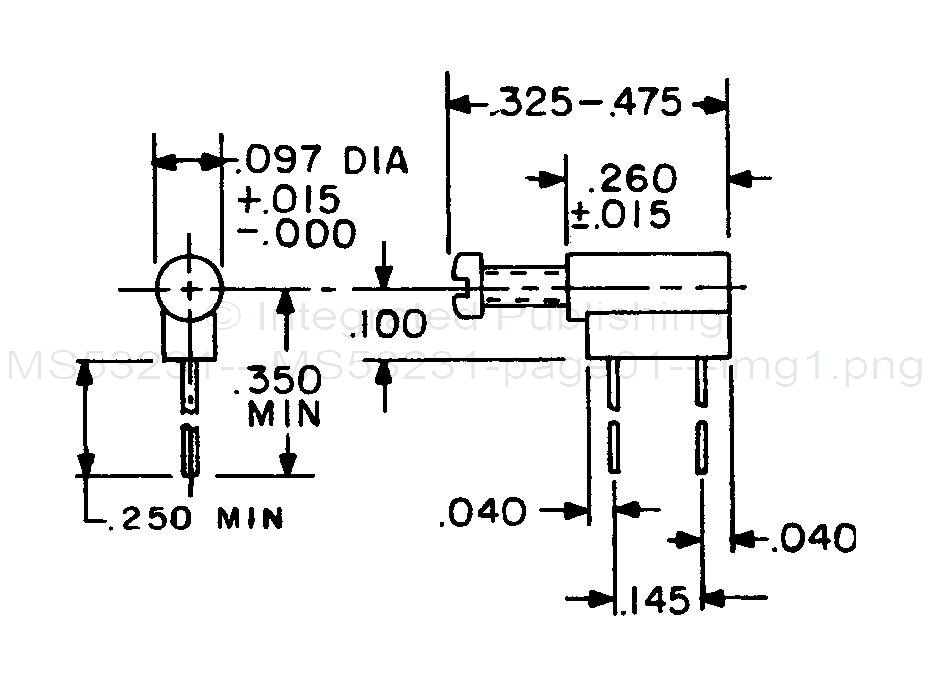
NOTES:
1. Dimensions are in inches.
2. Metric equivalents are given for general information only.
3. Unless otherwise specified, tolerance is ±.005 (0.13 mm).
FIGURE 1. Dimensions and configuration.
AMSC N/A FSC 5950
For Parts Inquires submit RFQ to Parts Hangar, Inc.
© Copyright 2015 Integrated Publishing, Inc.
A Service Disabled Veteran Owned Small Business