
MIL-PRF-21038/27E
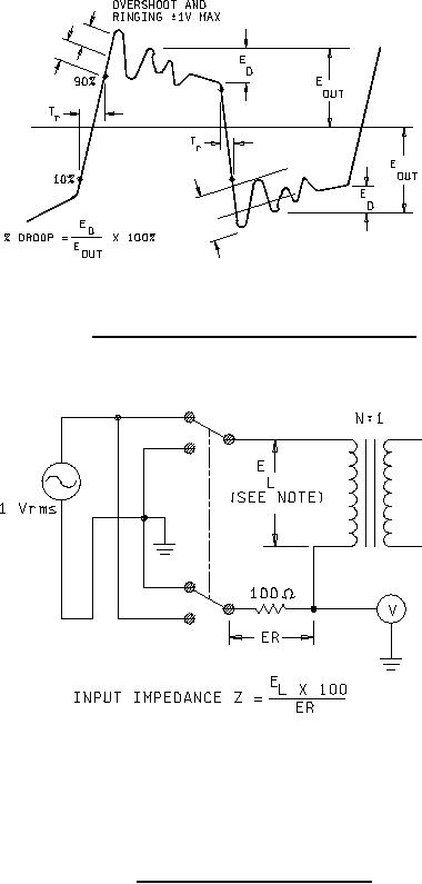
FIGURE 4. Output wave form for test circuit on figure 3.
NOTE: Input to be applied to high-turn side of all dash numbers. Self impedance may also be measured
using HP4277a LCZ meter or equivalent. N represents the highest turn winding.
FIGURE 5. Test circuit for input impedance.
10
For Parts Inquires submit RFQ to Parts Hangar, Inc.
© Copyright 2015 Integrated Publishing, Inc.
A Service Disabled Veteran Owned Small Business