emilspec
An Integrated Publishing, Inc. Site
eMilSpec
An Integrated Publishing Website
MIL-PRF-27-235 Transformers, Power, Isolation, Shielded
Pages
1
-
2
-
3
-
4
-
5
-
6
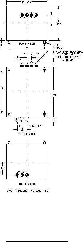
MIL-PRF-27/235E
FIGURE 1. Dimensions and configurations.
- Continued.
2
For Parts Inquires submit RFQ to
Parts Hangar, Inc.
© Copyright 2015 Integrated Publishing, Inc.
A Service Disabled Veteran Owned Small Business