
INCH-POUND
MIL-PRF-27/342F
18 October 2005
SUPERSEDING
MIL-PRF-27/342E
3 August 1994
PERFORMANCE SPECIFICATION SHEET
TRANSFORMERS, POWER, 80 VOLTAMPERES, 400 HZ
This specification is approved for use by all Departments
and agencies of the Department of Defense.
The requirements for acquiring the product described herein shall consist of this specification
sheet and MIL-PRF-27.
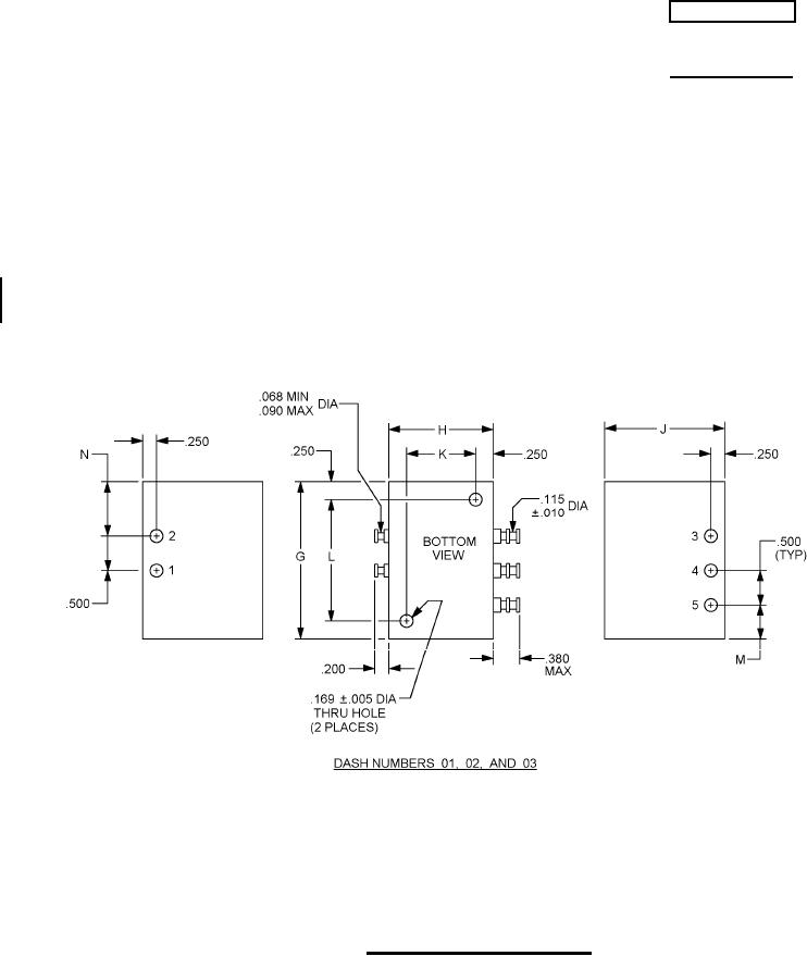
FIGURE 1. Dimensions and configurations.
AMSC N/A
FSC 5950
For Parts Inquires submit RFQ to Parts Hangar, Inc.
© Copyright 2015 Integrated Publishing, Inc.
A Service Disabled Veteran Owned Small Business