
INCH-POUND
MIL-PRF-27/59D
6 May 2005
SUPERSEDING
MIL-PRF-27/59C
7 February 1984
PERFORMANCE SPECIFICATION SHEET
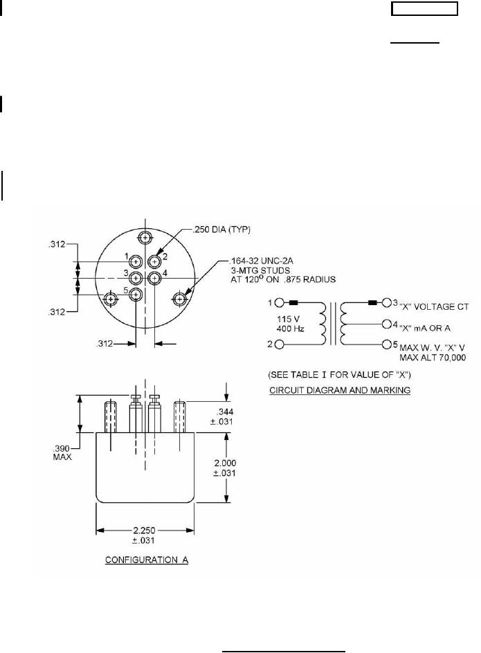
TRANSFORMERS, POWER, 100 VOLT AMPERES, 400 HZ
This specification is approved for use by all Departments
and Agencies of the Department of Defense.
The requirements for acquiring the transformers described
herein shall consist of this specification and MIL-PRF-27.
Inches
mm
.031
0.79
.164
4.17
.250
6.35
.312
7.92
.344
8.74
.390
9.91
.875
22.22
2.000
50.80
2.250
57.15
FIGURE 1. Dimensions and configuration.
AMSC N/A
FSC 5950
For Parts Inquires submit RFQ to Parts Hangar, Inc.
© Copyright 2015 Integrated Publishing, Inc.
A Service Disabled Veteran Owned Small Business