
MIL-PRF-27/59D
Inches
mm
.031
0.79
.125
3.18
.164
4.17
.250
6.35
.312
7.92
.344
8.74
.390
9.91
.781
19.84
2.000
50.80
2.250
57.15
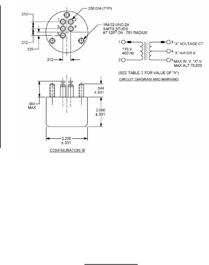
NOTES:
1. Dimensions are in inches.
2. Metric equivalents are given for general information only.
3. Tolerance on terminal position dimensions is ±.015 (0.38 mm).
4. Marking shall be on the side of the case.
5. When numbers in parentheses, i.e. (1-2), are used, they indicate the winding and the extreme terminals of the
winding.
6. Secondary electrical values shall be marked as specified in table I, as applicable.
FIGURE 1. Dimensions and configuration - Continued.
2
For Parts Inquires submit RFQ to Parts Hangar, Inc.
© Copyright 2015 Integrated Publishing, Inc.
A Service Disabled Veteran Owned Small Business