
INCH-POUND
MIL-PRF-27/307A
25 July 2008
SUPERSEDING
MIL-PRF-27/307
6 February 1981
PERFORMANCE SPECIFICATION SHEET
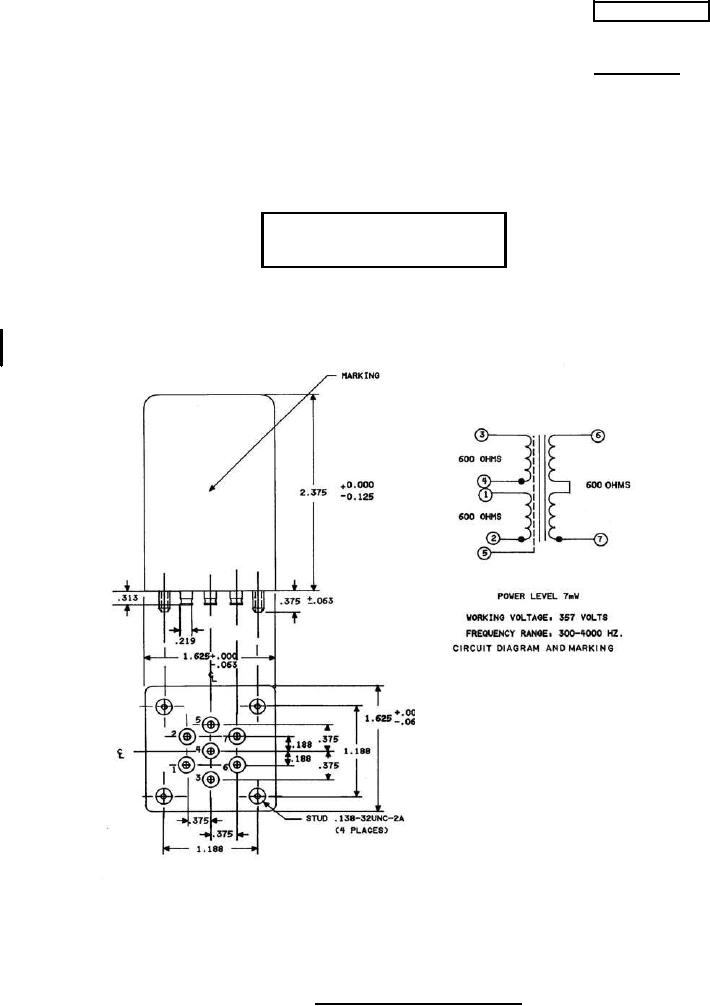
TRANSFORMER, AUDIO FREQUENCY
Inactive for new design
after 21 February 2003
This specification is approved for use by all Depart-
ments and Agencies of the Department of Defense.
The complete requirements for procuring the transformer described herein shall
consist of this document and the latest issue of Specification MIL-PRF-27.
INCHES
MM
.063
1.60
.125
3.18
.188
4.78
.219
5.56
.313
7.95
.375
9.52
1.188
30.18
1.625
41.27
2.375
60.32
NOTES:
1. Dimensions are in inches.
2. Metric equivalents are given for general information only.
3. Unless otherwise specified the tolerance shall be ±.016 inch (0.41 mm).
FIGURE 1. Dimensions and configurations.
AMSC N/A
FSC 5950
For Parts Inquires submit RFQ to Parts Hangar, Inc.
© Copyright 2015 Integrated Publishing, Inc.
A Service Disabled Veteran Owned Small Business