
MIL-PRF-27/307A
Parts List
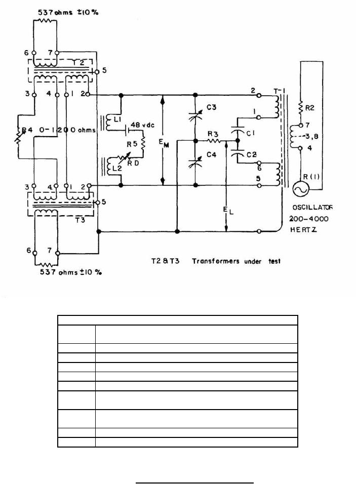
T1
- Transformer, Western Electric Co. part WE111C or
WE93A or ADC part 118F or equivalent.
- 8 μF ±10% capacitor matched to 0.1%.
C1, C2
C3, C4
- 100 to 500 pF adjustable trimmer capacitors.
- Audio oscillator with source resistance R1 = 600Ω.
OSC
- Resistor such that R1 + R2 = 600Ω.
R2
- Resistor, 500Ω ±10%.
R3
- 5H or greater inductor. DCR = 85Ω maximum Western
L1, L2
Electric Co. part WE149E or equivalent.
- Variable resistor, 0-1200Ω. Adjust for DC loop current
RD
of 100 mA.
- Variable resistor, 0-1200Ω.
R4
- Resistor, 300Ω ±10%.
R5
FIGURE 3. Test circuit for longitudinal balance.
3
For Parts Inquires submit RFQ to Parts Hangar, Inc.
© Copyright 2015 Integrated Publishing, Inc.
A Service Disabled Veteran Owned Small Business