
MIL-PRF-27/307A
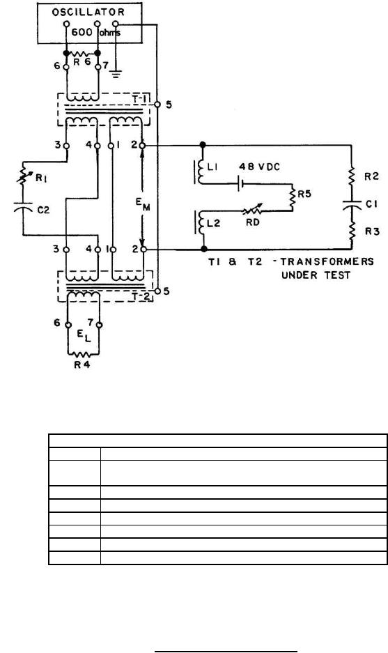
Parts List
- 8 μF ±10% capacitors matched to 0.1%.
C1, C2
- 5H or greater inductors. DCR = 85Ω maximum Western.
L1, L2
Electric Co. part WE149E or equivalent.
- Resistors, such that R2 + R3 = 600Ω ±1%
R2, R3
- Variable resistor 0-1200Ω.
RD
- Variable resistor 0-1200Ω.
R1
- Resistor, 537Ω ±1%
R4
- Resistor, 300Ω ±1%
R5
- Resistor, 511Ω ±1%
R6
FIGURE 2. Test circuit for transhybrid loss.
2
For Parts Inquires submit RFQ to Parts Hangar, Inc.
© Copyright 2015 Integrated Publishing, Inc.
A Service Disabled Veteran Owned Small Business